Aperçu Inspiration Références Configurateur de maison Notre service photo Conseils de Construction
Aperçu Produits Toiture Façade Gouttières Solaire Protection contre les crues Bobines et feuilles
Aperçu Services Configurateur de maison Notre service photo Commander des prospectus Trouver un artisan près de chez vous Demander un certificat de garantie Salons Questions & Réponses pour les artisans pour les architectes
Aperçu Avantages Matériau de construction en aluminium Thèmes spécifiques
Aperçu Entreprise À propos de nous Offres d’emploi News Presse
Aperçu Contact Votre interlocuteur PREFA Formulaire de contact Commander des prospectus inscription à la newsletter
Aperçu Références Bâtiments de référence PREFARENZEN architecture Galerie de rénovation
Aperçu Conseils de Construction Rénovation de toiture Rénovation de façades Conception de façade Façades en bois et en aluminium Couverture de toit pour votre toit Les systèmes solaires en clair L'aluminum aspect tuile terre cuite
Aperçu pour les artisans Mon login PREFA Academy Programme de formation Formateurs: assistance sur site Matériel promotionnel, logos & echantillons Vidéos de pose et de démonstration
Aperçu pour les architectes Découvrir les PREFARENZEN Livre d’architecture et classeur Architectes Centre de Telechargement BIM
Aperçu Matériau de construction en aluminium 40 ans de garantie Durabilité Système complet Résistant à la tempête
Aperçu Thèmes spécifiques Protection contre le feu Protection des monuments historiques
Aperçu À propos de nous Faits et chiffres Nos valeurs et objectifs Durabilité
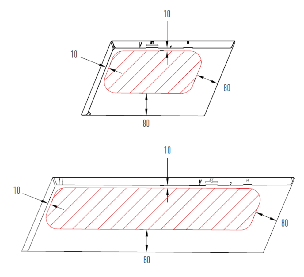
Si vous installez quelque chose sur la façade (comme des lampes), respectez la zone de pose autorisée des bardeaux de façade pendant l’installation. S’il n’est pas possible de respecter la zone de pose, il faut agrafer une plaque de support.
Seul le contenu d'une catégorie de produits peut être téléchargé. Si vous avez besoin du contenu de plusieurs catégories, veuillez créer un téléchargement séparé pour chaque gamme de produits.